The price for keychain laser pointers have come down considerably during the last year or two. While talking to a co-worker about installing a laser on my robot he says "Here have this one, I can get them at my local flea market for 2 bucks". After thanking him, I started to think of ways to mount the laser and control the power.
.
Keychain laser with batteries and end cap exposed.
Laser donated by Don Tripp (thank you Don)

Stack the end cap on two 3/8 nuts to allow removing the swaged-in
end piece.
Use a nail as a pin punch to pop out the end piece.

End piece now has a hole to pass the shielded conductor cable.

"Battery Substitute" for power connection to the laser module.
I made a "battery substitute" with a piece of fiberglass tubing. Solder one lead to a ground down brass #8 bolt for the negative lead.
Strip the wire lead for the positive connection to the back of the end cap. No need to solder, the spring inside the laser pointer will keep enough pressure for a good connection.
I used a "leftover" audio cable that came with a CD drive. Use both the red and white wires for the negative connection to the brass bolt. Use the shield for the end cap connection.
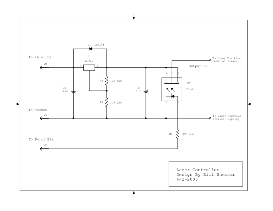
Schematic for 3 volt regulator and controller:


Completed Laser Device.

Laser mounted on Boebot (just under the CMUcam)
The laser is held by a "AA" size battery clip from a Keystone # 139
battery holder. Use the clip part to hold in the "ON" button and
insulate from the chassis. The outer case of the laser pointer is
positive and the Boebot chassis is negative due to connection at the
BS2
control board. I used two # 2-56 plastic screws with a 1/8 inch
plastic
separator.
Disclaimer:
You are free to use any of the circuits on my webpages for personal
or educational use and not for commercial use.
These designs are experimental and may not fully work for you.
I will not be responsible for any damages to any computer, equipment,
mental
or bodily injury, or for lost revenue due to the use of these designs.
Do not directly look into the laser beam or point at anyone or any animal when testing this device.