Solar
Garden Light Autopsy
I had this idea to use the solar power converting ability of a garden light to power a PIC weather station. So I checked out what was available at the neighborhood Home Depot. To my surprise, they were on sale! Sixteen bucks bought me 4 lights ("How many lights do you see, Picard?" Star Trek Next Generation) complete with AA size Nicads. Each light comes with 2 cells for a total of 8. What a bargain!
Next, I opened a unit. Don't forget to remove the batteries first. The Nicads are tightly held by tabs on the plastic case.

Inside the light
after removing four screws.

Underside of the PC
board showing yellow superbrite LED
The garden light uses a single
yellow superbright LED.
Wide Dispersal Beam.
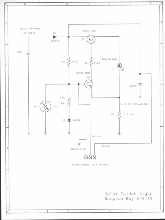
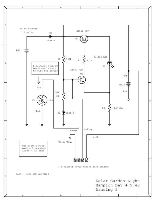
The NiCads are charged by the solar cells through a 1N5817 schottky diode with a low forward voltage drop. On the top of the unit next to the solar cells is a CDS light sensitive resistor. A PNP transistor Q1 controls power to the LED. When the sun is up, the CDS is conductive and turns off a second transistor (NPN type) Q2, effectively cutting off base drive to Q1, keeping the LED off.
When it is dark enough, the CDS is non-conductive and allows drive current through R3 to turn on the LED. During the day, the LED is off and the current draw is very low. The solar cells can then use sunlight to charge up the batteries. Measured open circuit voltage of the solar cell is 4.65 vdc. Current delivered to the batteries is about 75 milliamps during charge in full sunlight. Not bad for free energy!


So you want to tap into the limitless
resource
of solar
power?
Attach 3 wires to bring out the power from the Nicads. One for Positive, one for Negative, and one for control of the LED. Controlling the led will save your battery power when the sun goes down. I used a Molex 3 position connector for the power tap.

Thread
the wires out of one of the holes to the
side of the
LED in the plastic case. Attach a connector and start thinking of what
you
would like to power.

For more control
Disconnect CDS sensor wire and bring it out to connector for complete control of the led. Connect a series 10k resistor with the PIC. A high will turn ON the LED and a low will turn it OFF regardless of the condition of the light sensor. I you want to keep it as the original, just connect the cds back to the base lead by connecting the two center leads together at the connector.

Use as a power source for PIC projects:
1. Powering a PIC that records temperature and humidity to make a weather station.
2. Use a PIC to blink the LED and make a beacon to freak out neighbors or use as "runway lights" for your driveway. Units can be triggered by the headlights. One unit can signal the next by using IR transmit/receive modules to make sequential strobing without interconnecting wires.
3. Use an IR ranging sensor such as a Sharp GP2D12 ( What we robot builders affectionately call an "ET" sensor) as an intruder detector. The GP2D12 requires 33 milliamps for operation. Average current can be reduced by turning on, sense the environment, then turn off for a few moments. Sensors can be made wireless using a RF module as a link to a PC.
4. Wire several units in series for higher voltage.
5. Use a PIC to generate random PWM to drive the base and create a "flicker effect", making the lights seem to have a flame.
6. Use a MAX756 to step up the voltage to 5 Volts for projects that require regulated power.
7. Stepping up to 5 Volts will allow use of white LEDs since a higher voltage is required.
8. 5 volts could drive RGB type of self-flashing LEDs, creating a multicolor light effect.