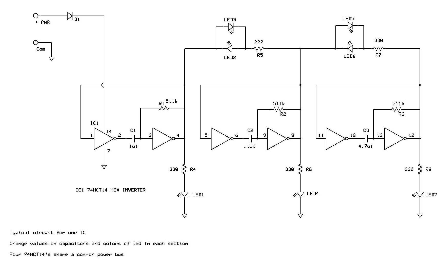
Jar-o-circuits
Four 74HCT14's and
components
are mounted on a central power bus.
Circuits packed in the jar.

Schematic, Four of these circuits are
packed in the jar.

You can also
subsitute R1,R2 or R3 with CDS photo resistors for changing flash rates
with changes of ambient light. The flashing will slow down in
darkness.
Schematic, pdf
Youtube video
http://www.youtube.com/watch?v=5jz2CKoj_V8
To my other projects